美国成人影院-美国黑人毛片-美国黄色a级片-美国毛片亚洲社区在线观看-成人欧美视频在线观看-成人欧美在线观看


模具結構對拖曳型橡套電纜護套的影響

欄目 :電纜新聞資訊 發布時間 : 2015-04-10
安徽遠洋儀表電纜報價廠家:隨著工業化的發展,橡套類軟電纜以其電氣性能穩定、機械物理性能優良、特別是柔軟的特點,一直是各種移動場合使用的主要設備安裝電纜。目前在大型的露天煤礦和金屬礦的開采過程中,會經常出現大型的碎石和尖銳物體砸擊電纜,電纜
京儀股份為大家帶來“模具結構對拖曳型橡套電纜護套的影響”相關文章,公司為您提供“模具結構對拖曳型橡套電纜護套的影響”文中涉及的電纜技術參數資料。

安徽京儀股份報價廠家:隨著工業化的發展,橡套類軟電纜以其電氣性能穩定、機械物理性能優良、特別是柔軟的特點,一直是各種移動場合使用的主要設備安裝電纜。目前在大型的露天煤礦和金屬礦的開采過程中,會經常出現大型的碎石和尖銳物體砸擊電纜,電纜在隨著大型開采設備移動過程中經常受到很大的拖曳力,因此拖曳型的橡套電纜依靠特殊的結構設計降低外界扭轉力對護套材料的影響,從而提高電纜的使用壽命成為拖動場合設備安裝使用的首選。

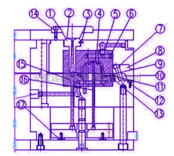
橡套電纜模具結構

  在經常拖動、摩擦的場合,電纜壽命的降低往往是從護套的磨損開始從外到內造成對絕緣線芯的損壞,所以護套的壽命直接影響到電纜的使用壽命。拖曳型電纜采用將傳統的護套厚度一分為二,在兩層護套之間增加編織層的結構來增加內外護套的結合力,編織層采用具備一定彈性力的材料,來緩沖電纜護套在受力過程中的反作用,從而提高電纜的壽命。

  將以前一次實現的護套分為兩次來實現,自然每層的護套厚度都會薄,大大提高了工藝實現的難度,因此,橡皮材料在擠出時模具的選擇尤為重要。一般情況下普通橡套類電纜的生產,是通過模芯和模具的配比來提供較大的壓力將成纜線芯填實來實現,一般模芯會選擇較大角度,減小模套的角度(見圖1),模芯和模套的角度差一般控制在15℃左右,通過角度差控制橡皮材料的擠出壓力,將材料壓實的情況下擠出在纜芯表面。拖曳型電纜的內護和外護厚度比較薄,橡皮材料的生產又是擠壓式生產,在生產外護時,橡皮材料在擠出模口作用于纜芯,當壓力過大時容易造成內護套的堆積擠壓而產生卡模現象。

  為解決以上出現的卡模,我們經過多次理論設計和實踐論證,通過改進模芯和模套的角度差,可以很好的解決外護壓力過大對內護造成的聚集卡模,大大的提高了該種電纜的連續生產能力。

  改進后的模具體如圖2:

  改進前的模具參數:α=110℃,β角一般為89℃,角度差(α-β)一般為21℃,

  改進后的α角一般在89℃,β角一般為68℃,角度差(α-β)一般為21℃,此種配模方式是,減小α角,減小β角,根據力學分析,此種角度配合,可以減小外護套擠出時對內護套的壓力,可以很好的保證護套的擠出。

  經過實踐驗證,可以很好的擠出,并且護套表面光滑,沒有竹節等出現,有效的解決了卡模的問題。


以上是由京儀股份有限公司為大家整理的有關“模具結構對拖曳型橡套電纜護套的影響”的內容。屬于橡套電纜相關信息。
本文地址:http://www.jnjgsm.com/974.html轉載請勿刪除,高壓電纜、橡套電纜或其它儀表電纜報價資料歡迎您來電索取。張總:15222906608

“模具結構對拖曳型橡套電纜護套的影響”相關產品|猜你喜歡:
  • 耐寒軟電纜
    耐寒軟電纜
  • BV-105電線
    BV-105電線
  • 取料機卷筒電纜
    取料機卷筒電纜
  • 伴熱電纜
    伴熱電纜
  • 熱安裝套管
    熱安裝套管
  • 浮球液位計
    浮球液位計

  • “模具結構對拖曳型橡套電纜護套的影響”相關文章|猜你喜歡:
  • 橡套電纜如何修補
  • 淺談常用橡套電纜
  • 如何預防橡套電纜導體氧化
  • 橡套電纜中銅絲發黑的多種原因
  • 橡套電纜技術規范之工業癸二酸二辛酯
  • 礦用橡套電纜詳細介紹
  • 京儀股份儀表電纜報價電纜廠家為您推薦:
  • 銅包鋁電纜報價計算方式
  • 橡套電纜基本知識介紹
  • 電纜規格型號含義
  • 浙江電力對電網建設已完成11大類 49項
  • 我國高壓電纜在世界上的地位
  • 煤礦用低煙低毒 鹵 阻燃電纜研發及應

  • Copyright © 2014-2018 京儀股份All Internet